An ideal Op-Amp has infinite gain which has little use in analogue circuits. The ideal Op-Amp amplifies the voltage difference of its inverting and non inverting inputs. The gain of the Op-Amp will be very high which is not required in analogue circuits. So in order for an OP-Amp to work correctly, feedback circuit is used to limit the gain of the Op-Amp otherwise, the Op-Amp will work like a simple comparator. If we give signals to the input of the Op-Amp without a feedback loop, then the Op-Amp will multiply the signal infinitely. To get the feedback, a DC feedback loop is made from the output to either the inverting or non inverting input depending on the circuit design.
Let us see the condition of a simple Op-Amp Amplifier. As you know, the Op-Amp has very high level of amplification typically around 1,000,00 times. Suppose the Op-Amp has 10,000 gain, then the Op-Amp will amplify the difference of voltage in its Non inverting input ( V+) and Inverting input ( V-). So the output voltage V out is
10,000 x (V+ – V- )
10,000 x (V+ – V- )
In the diagram, the signal is applied to the Non inverting input and in Inverting input is connected to the output. So V+ = V in and V- = V out
Therefore V out = 10,000 x (Vin – V out)
Hence the output voltage is almost equal to the input voltage.
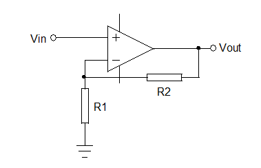
Now let us see how the Feedback works. Simply adding a resistor between the inverting input and the output will reduce the gain considerably. By taking a fraction of the output voltage to the inverting input can reduce the amplification considerably.
As per the earlier equation, V out = 10,000 x ( V+ – V-). But here a feedback resistor is added. So
Here V+ is Vin and V- is R1.R1+R2 x V out
Therefore V out is 10,000 x ( Vin – R1.R1+R2xVout). So V out = R1+R2.R1x Vin
Negative and Positive Feedback
Both Negative and Positive Feedbacks are used in Op-Amp circuits based on the requirements.
Negative Feedback
Here the output of the Op-Amp is connected to its Inverting ( – ) input, thus the output is fed back to the input so as to reach an equilibrium. If the output is directly connected to the Inverting input, the resulting design is a Voltage follower. Thus the input signal at the Non Inverting (+) input will be reflected at the output. The Op-amp with the negative feedback will drive its output to level necessary and hence the voltage difference between its inverting and non inverting inputs will be almost zero
Positive Feedback
Here the output voltage is fed back to the Non inverting (+) input. The input signal is fed to the Inverting input. In positive feedback design, if the Inverting input is connected to ground, then the output voltage from the Op-amp will depends on the magnitude and polarity of voltage at the Non inverting input. When the input voltage is positive, then the output of the Op-Amp will be positive and this positive voltage will be fed to the Non inverting input resulting in a full positive output. If the input voltage is negative, then the condition will be reversed.
How to Null the Offset Voltage?
An Op-amp works as a differential amplifier. That is when it’s Inverting and Non inverting inputs are shorted together, its output voltage is Zero. But in most Op-Amps there is a small offset because of their inherent property and results from the mismatches in the input bias arrangement. So a small output voltage is available at the output of some Op-amps even if the input signal is zero. This drawback can be rectified by providing a small offset voltage to the inputs. This is known as the Input Offset voltage. To remove or Null the Offset, most Op-Amps have two pins to enable the offset nulling. For this, a Pot or Preset with a typical value of 100K should be connected between the pins 1 and 5 with its Wiper to the ground. By adjusting the preset, output can be set at Zero voltage.
How Phase Compensation is done in Op-Amp?
Op-Amps may become unstable sometimes and to make them stable for the entire frequency bands a Cap is usually connected between its Strobe pin 8 and pin1. Usually a 47pF disc capacitor is added for phase compensation so that the OpAmp will remain stable. This is most important if the OpAmp is used as a sensitive Amplifier.
0 comments:
Post a Comment